现代通信系统中,不管是卫星通信、5G 宽带回传,还是高速点对点无线链路,都离不开一个环节——调制。而在高阶调制(如 QPSK、QAM)和软件定义无线电(SDR)领域,低功耗,宽频带尤为重要。
什么是 IQ 调制器?
用一个通俗的类比来说,IQ 调制器就像是“声音混音台”的无线电版本——它将两个正交的基带信号(I 和 Q)与本振信号(LO)混频,输出一个可以承载更多信息的射频信号。这种方式在无线通信中几乎无处不在,比如 4G/5G 基站、卫星数据链路、雷达和 Wi-Fi 系统。
结合官方PDF来了解 RFMD2081系列
RFMD2081 是一颗低功耗、宽带 IQ 调制器,更将分数-N 频率合成器与宽带 VCO 巧妙融合,助力系统实现从 45 MHz 到 2700 MHz 的射频输出

RFMD2081 技术亮点
- 宽频覆盖,适配多种通信制式
- 输出频率范围:45 MHz – 2700 MHz
- 内部集成的分数-N 频率合成器和三段 VCO 可生成 90 MHz – 5400 MHz 的本振信号,几乎涵盖常用无线频段。
- 高精度与低噪声的平衡
- 相位噪声低至 0.2° rms(1 GHz),保证高阶调制的稳定性
- 噪声底 -162 dBm/Hz,确保远距离通信依然清晰可靠
- 高集成度降低系统复杂度
- 内置正交分频器、LO 缓冲、调制器核心、低噪声稳压器
- 仅需外部简单环路滤波器即可完成锁相环配置

功能框图
参考输入(TCXO) → 分数-N PLL → VCO → LO 分频 → I/Q 混频器 → 差分 RF 输出
性能优势
- 细频率步进:典型 1.5 Hz 步进,方便精确调谐
- 多芯片控制:一条总线可同时管理四颗 RFMD2081

- 低功耗:典型工作电流 135 mA(3V 供电),适合电池供电设备
- 输出线性好:P1dB +4 dBm、IP3 +17 dBm,为高保真信号传输提供保障
便携的设计
应用场景
- 卫星通信地面站调制器
- 宽带无线回传链路
- 点对点高速数据传输
- SDR(软件定义无线电)平台
- 多标准调制解调系统
系列尾缀定义(根据Ordering Information英译而来)
型号对应 | 封装类型 | 包装数量 | 说明 |
RFMD2081SB | 32 引脚 QFN | 5 片/样品袋 | 小批量样品 |
RFMD2081SQ | 32 引脚 QFN | 25 片/样品袋 | 样品/小批量测试 |
RFMD2081SR | 32 引脚 QFN | 100 片/卷盘 | 中等批量生产 |
RFMD2081TR7 | 32 引脚 QFN | 750 片/卷盘 | 大批量生产 |
RFMD2081TR13 | 32 引脚 QFN | 2500 片/卷盘 | 高批量生产 |
DKMD2081 | 完整设计套件 | 1 套 | 含评估板、线缆、编程软件等 |
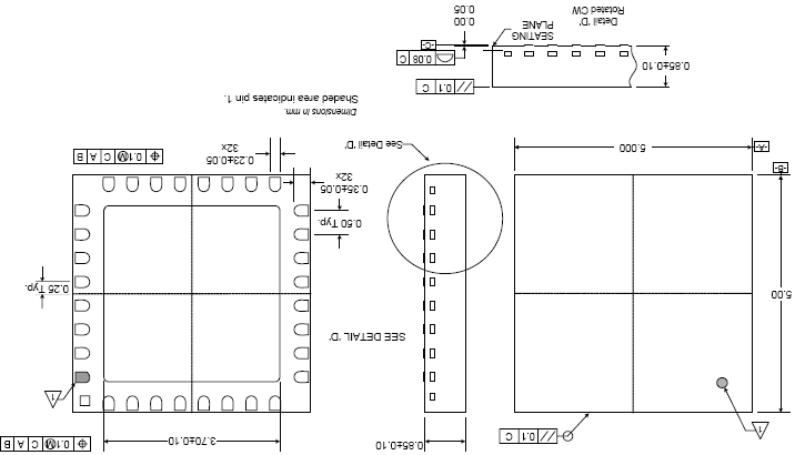
封装三视图视及尺寸(QFN, 32-pin, 5mm x 5mm )

QFN, 32-pin, 5mm x 5mm
--
部分信息来自官方pdf如有侵权请告知删除。
-
无线
+关注
关注
31文章
5563浏览量
176567 -
SDR
+关注
关注
7文章
237浏览量
51267 -
调制器
+关注
关注
3文章
902浏览量
47230
发布评论请先 登录
什么是IQ调制器?IQ调制器如何工作?接收侧如何实现信号解调?

集成IQ调制器TRF372017资料推荐
一种低功耗Sigma-Delta调制器的设计
用于解决FM调制低功耗方案的IQ调制器的精度和线性介绍

理解IQ调制器的工作原理及如何解调IQ信号

模拟IQ调制器的特性介绍

评论